GB/T 41655—2022《無損檢測 超聲檢測 焊接、軋制和爆炸復合覆層檢測技術》工藝方法解讀
采用焊接、軋制和爆炸等工藝可將一種或多種化學、力學性能不同的金屬在界面上實現冶金結合而形成復合材料,其能極大地改善單一金屬材料的熱膨脹性、強度、斷裂韌性、沖擊韌性、耐磨損性、電性能、磁性能等諸多性能,且可制成復合板材、復合帶材、復合箔材、復合管材、復合棒材、復合線材、復合型材等。因而該類工藝被廣泛應用于石油、化工、船舶、冶金、礦山、機械制造、電力、水利、交通、環保、壓力容器制造、食品、釀造、制藥等領域。
金屬復合材料界面結合狀態對復合材料影響重大,很多復合材料產品標準都按界面結合率(結合度)進行分級。由于超聲檢測技術是針對材料內部不連續的檢測,是無損檢測方法中一項重要的檢測方法,也是國內外最成熟、應用最廣泛的復合材料界面結合質量的檢測方法。
GB/T 41655—2022《無損檢測 超聲檢測 焊接、軋制和爆炸復合覆層檢測技術》是專門針對焊接、軋制和爆炸所形成包覆層的超聲檢測方法標準,該標準是國內首次制定,發布后已成為我國焊縫無損檢測系列標準的重要組成部分,為機械設備、管道、船舶、橋梁、鋼結構等產品用焊接、軋制和爆炸焊等技術制作的部位提供了統一而嚴謹的超聲檢測規范,在保證國家重大裝備制造和重大工程建設質量及安全中正發揮越來越重要的作用。
本文依據GB/T 41655—2022,介紹了標準中以鋼為基材通過焊接、軋制和爆炸焊方式復合形成的覆層及界面的平面型不連續或體積型不連續,采用單晶或雙晶探頭進行手工超聲檢測的方法。
1
超聲檢測系統 檢測采用超聲脈沖反射技術。對于平行于檢測表面的二維不連續和三維不連續,應采用直探頭(雙晶或單晶探頭)利用縱波進行檢測。對于其他走向的不連續,可采用縱波雙晶斜探頭進行檢測。探頭標稱頻率應根據檢測目的和材料特性選擇, 推薦探頭頻率為2~6 MHz。 縱波雙晶斜探頭檢測時縱波折射角宜在65°至80°之間。選擇晶片的傾斜角、形狀以及尺寸應確保最優靈敏度的深度范圍可覆蓋到檢出不連續的區域。當覆層檢測無法實施時,選擇從基材側面采用縱波單晶斜探頭以45°折射角對覆層進行檢測。 雙晶聚焦直(斜)探頭制造商應給出探頭最佳檢測靈敏度的深度范圍即焦區。波束聚焦的菱形區Q點為靈敏度最強點,Q點深度即為最佳檢測深度,覆層檢測時應根據覆層厚度選擇相應的聚焦探頭。雙晶聚焦探頭形貌如圖1所示;將探頭一收一發的聚焦點控制在覆層與基材界面,聚焦區覆蓋區域如圖2所示。 圖1 雙晶聚焦探頭形貌 圖2 聚焦區覆蓋區域

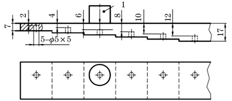
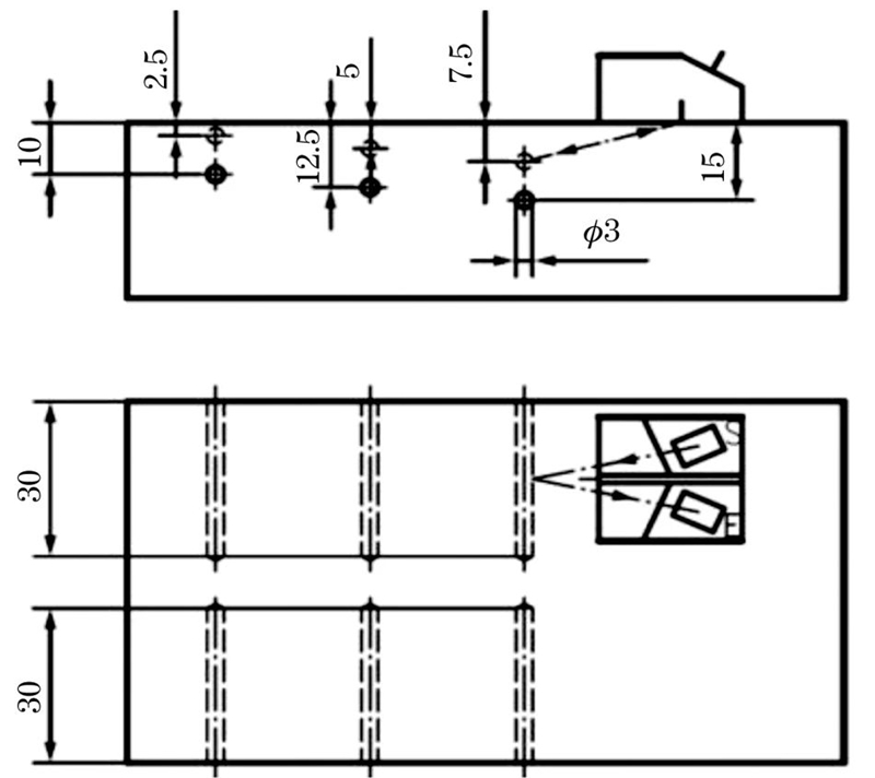
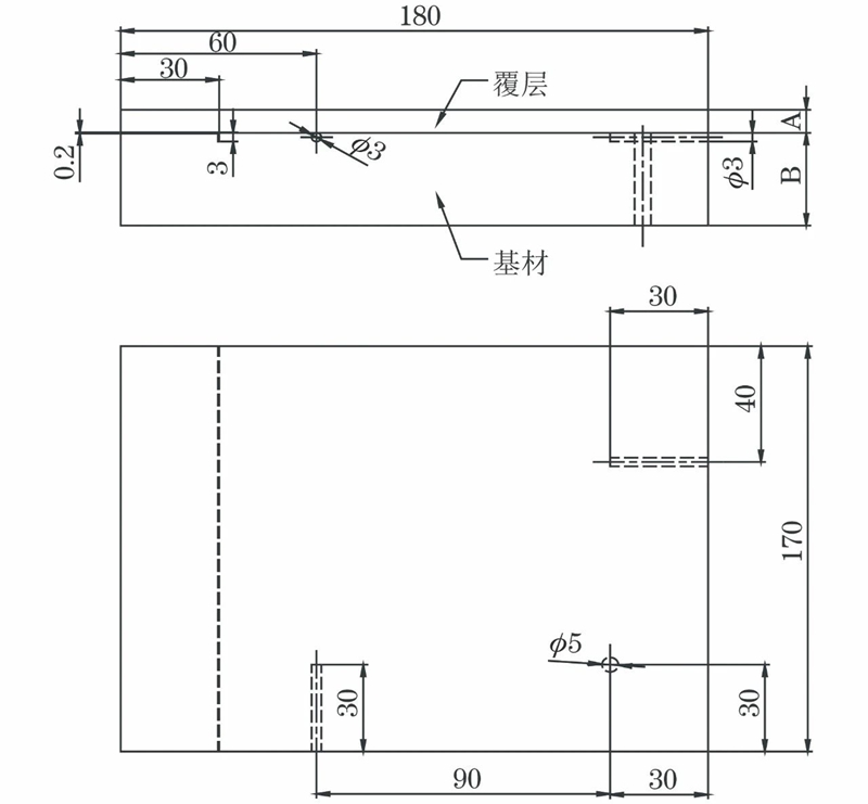
2 超聲檢測試塊 雙晶直探頭焦區長度測定用參考試塊 雙晶直探頭焦區長度測定用參考試塊結構示意與實物如圖3和圖4所示。試塊采用階梯、平底孔組合形式,平底孔尺寸為直徑5 mm、深度5 mm,平底孔最小聲程為2 mm,其他平底孔埋深(聲程)應包含但不限于圖示尺寸。最大埋深(聲程)應不小于覆層厚度。試塊材料應與覆層材料一致,采用與覆層同樣的焊接、軋制和爆炸焊工藝得到。 圖3 雙晶直探頭焦區長度測定用參考試塊結構示意 圖4 雙晶直探頭焦區長度測定用參考試塊實物 雙晶斜探頭焦區長度測定用參考試塊 雙晶斜探頭焦區長度測定用參考試塊結構示意與實物如圖5和圖6所示。試塊采用ф3 mm×30 mm的長橫孔為標準反射體,長橫孔最小聲程為2.5 mm,其他長橫孔埋深(聲程)應包含但不限于圖示尺寸。最大聲程應不小于覆層厚度。試塊材料應與覆層材料一致,采用與覆層同樣的焊接、軋制和爆炸焊工藝得到。 圖5 雙晶斜探頭焦區長度測定用參考試塊結構示意 圖6 雙晶斜探頭焦區長度測定用參考試塊實物 帶覆層參考試塊 應選用與檢測對象相同或相近復合工藝制成的參考試塊來調節靈敏度。參考試塊復合層厚度、表面狀態和形狀應與受檢件的相同。根據標準要求及標準的檢測方法包含單(雙)晶直探頭檢測、雙晶斜探頭檢測的需要設計了一種復合覆層超聲檢測參考試塊,試塊結構示意如圖7所示,試塊實物如圖8所示。試塊設計內容包含直探頭檢測用5 mm直徑平底孔,雙晶斜探頭檢測用垂直于焊縫方向和平行于焊縫方向的ф3 mm×30 mm長橫孔,以及用于檢測垂直于檢測面的面積型不連續3 mm高度豎直槽。 圖7 帶覆層參考試塊結構示意 圖8 帶覆層參考試塊實物 對于檢測體積型不連續,標準反射體應選擇長橫孔,例如可使用位于母材靠近界面位置,規格為ф3 mm×30 mm的長橫孔(見圖7)。對于通過熔化焊連接的復合層,一個長橫孔應垂直于焊縫方向,另一個長橫孔應平行于焊縫方向。對于兩層或多層熔化焊連接的復合層,有必要在每個復合層上加工相應的長橫孔。對于檢測平行于檢測面的不連續,當使用(單晶或雙晶)直探頭時,推薦使用平底孔設置靈敏度,平底孔孔徑推薦采用5 mm。對于垂直于檢測面的面積型不連續,推薦使用斜探頭在反射體槽上設置靈敏度,槽的寬度宜采用3 mm。





3
檢測系統的測試 雙晶直探頭焦區測試 將探頭依次放置在雙晶直探頭焦區長度測定用參考試塊的ф5 mm平底孔正上方,依次測試不同聲程的平底孔回波幅度,繪制反射體埋藏深度-回波幅度曲線。找到平底孔最大回波高度對應的反射體埋藏深度,即為雙晶直探頭聚焦深度;在反射體深度-回波幅度曲線上標注出回波幅度降低為最高幅度50%時所對應的反射體深度值。如圖9所示,x軸為測試反射體埋藏深度;y軸為測試反射體反射波幅;1對應的值即為雙晶直探頭焦區長度,2為測試探頭焦距。 圖9 反射體埋藏深度-回波幅度曲線 雙晶斜探頭焦區測試 將探頭依次放置在雙晶斜探頭焦區長度測定用參考試塊的ф3 mm×30 mm長橫孔所對應的檢測面上,依次測試不同埋藏深度(聲程)的長橫孔回波幅度,繪制反射體埋藏深度-回波幅度曲線。 找到長橫孔最大回波高度對應的反射體深度,即為雙晶斜探頭聚焦深度;在反射體埋藏深度-回波幅度曲線上標注出回波幅度降低為最高幅度50%時所對應的反射體深度值。 4 檢測范圍的設置 為實現不連續的準確定位,使用雙晶探頭在參考試塊上調節探傷儀范圍設置,也可直接在被檢工件上設置,在工件上設置時工件需含有形成反射的相關結構。 雙晶直探頭置于雙晶直探頭焦區長度測定用參考試塊的各階梯面或帶覆層的參考試塊檢測面。通過調節零位移和掃描(速度),相關平底孔回波波前設置在屏幕合適標記位置處。將雙晶斜探頭置于雙晶斜探頭焦區長度測定用參考試塊或帶覆層的參考試塊檢測面,探頭前沿與反射體在檢測面上的投影之間的距離,應與屏幕合適標記位置處對準。按此方式,在屏幕上直接讀出反射點的位置,即縮短后的投影距離以及深度位置。 5 檢測靈敏度的設置 使用直探頭(單晶或雙晶)時,使用ф5 mm平底孔來設置靈敏度。使標準反射體回波幅度達到滿屏高度80%,此時為基準靈敏度;使用雙晶斜探頭時,使用ф3 mm×30 mm的長橫孔或槽型反射體來設置靈敏度,使標準反射體回波幅度達到滿屏高度80%,此時為基準靈敏度。 設置靈敏度時,反射體回波高度與噪聲回波高度之間至少應有6 dB差值。信噪比測試方法:在平底孔信號達到滿屏高度80%的位置,調節探傷儀的增益,使此區域的噪聲峰值達到滿屏高度的80%,前后的增益差值應大于6 dB。 6 不連續信息采集 需用坐標(縱橫)標記檢測對象不連續的位置,不連續的深度和回波高度(基準靈敏度±dB)。采用-6 dB法測量不連續的長度和寬度。 7 結語 1 GB/T 41655—2022對焊接、軋制和爆炸復合覆層的檢測提出了具體可執行的要求,作為無損檢測人員應充分理解標準,合理設計或選擇試塊,正確調整參考靈敏度,嚴格按照標準編制檢測工藝規程,并指導實際操作,才能夠確保檢測結果的準確性。 2 復合覆層超聲檢測系統中探頭的選擇,雙晶聚焦直(斜)探頭焦點應與覆層厚度相同,使探頭聚焦區的中心位于基材和覆層的結合面上。 3 檢測前所選雙晶聚焦直(斜)探頭的焦距和焦區長度應進行測試,測試試塊應與被檢工件覆層材料相同或相近。