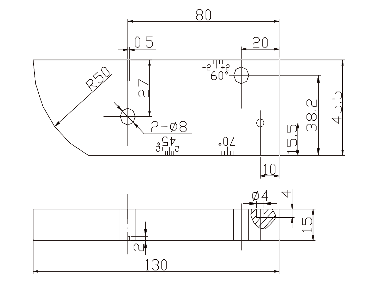
JIS-STB-A3 日本標準試塊
- 標準: 日本標準 JIS Z 2345:2000
JIS-STB-A3是日本的一種超聲檢測標準試塊,執行JIS Z 2345:2000標準。其相關信息如下:
用途:主要用于調整超聲檢測設備的工作靈敏度和測試范圍,以及測量斜探頭的折射角和探頭指數,為超聲檢測提供統一的標準和參考,確保檢測結果的準確性和可靠性。
材料與規格:通常采用1018鋼制作,并進行鍍鎳處理。試塊尺寸為15mm×45.5mm×130mm。
相關試塊:屬于STB-A3系列的還有STB-A31、STB-A32和STB-7963等試塊,它們在超聲檢測中也各自有著特定的用途和作用。
